Amplificatoarele operaționale (op-amp) sunt componente esențiale în electronica modernă, utilizate într-o gamă largă de aplicații, de la sisteme audio la instrumente de precizie. Majoritatea amplificatoarelor operaționale sunt proiectate și construite conform unei diagrame bloc standard, care include, de obicei, un amplificator diferențial, o treaptă de amplificare a tensiunii și o treaptă de ieșire. Amplificatorul diferențial este crucial pentru a oferi câștigul de tensiune necesar și pentru a asigura un raport înalt de respingere a modului comun (CMRR).
Pentru a obține un câștig mare, ieșirea amplificatorului diferențial este adesea conectată la un dispozitiv cu impedanță de sarcină ridicată. În acest scop, se utilizează frecvent o sarcină activă, care, spre deosebire de o sarcină rezistivă simplă, oferă o impedanță de intrare mult mai mare, permițând amplificatoarelor cu emițător comun (CE) să atingă un câștig suplimentar semnificativ. Amplificatoarele operaționale liniare sunt cuplate direct pentru a oferi câștig în curent alternativ (AC), eliminând necesitatea unor condensatoare de cuplare voluminoase pe cipul integrat. Schimbătoarele de nivel sunt, de asemenea, necesare pentru a elimina orice decalaj de tensiune continuă (DC) la ieșire, asigurând o funcționare corectă a circuitelor următoare.

Amplificatoarele operaționale sunt, prin însăși natura lor de construcție, amplificatoare diferențiale. Aceasta înseamnă că ele amplifică diferența dintre cele două semnale de intrare aplicate pe terminalele sa: cel inversor (In-) și cel ne-inversor (In+). Semnalul de ieșire este proporțional cu această diferență de tensiune, făcând din acest tip de circuit un "scăzător" de tensiune. Funcția de transfer pentru un circuit amplificator diferențial standard este dată de ecuația:
Vout = (R3/R1) * (Vin+ - Vin-)
unde R1 și R3 sunt rezistențe de feedback. Dacă se utilizează configurația cu rezistențe egale (R1=R2 și R3=R4 în schemele mai complexe), funcția de transfer se simplifică. În cazul în care toate rezistențele sunt egale, circuitul devine un amplificator diferențial cu câștig unitar, iar ieșirea este exact Vout = Vin+ - Vin-.

Structura Internă a Amplificatoarelor Operaționale
Majoritatea amplificatoarelor operaționale, cum ar fi celebrul μA741, sunt construite pe baza unei arhitecturi cu mai multe etape. Această arhitectură tipică include:
- Etapa de intrare: De obicei, un amplificator diferențial cu sarcină activă. Această etapă oferă un câștig de tensiune mare și asigură o impedanță de intrare ridicată, esențială pentru a nu încărca sursa de semnal. Sarcina activă, formată din tranzistori, înlocuiește rezistențele de sarcină tradiționale, oferind o impedanță mai mare și, implicit, un câștig mai mare. Această etapă convertește semnalul diferențial de la intrare într-un semnal cu un singur capăt, care este apoi transmis etapei următoare.
- Etapa intermediară: Această etapă, adesea un amplificator cu un singur capăt, furnizează câștigul de tensiune principal. În multe op-amp-uri, această etapă este urmată de un etaj de tip "emitter follower" (follower de emițător) pentru a oferi o impedanță de intrare ridicată etapei următoare, minimizând astfel încărcarea.
- Etapa de ieșire: De obicei, un amplificator de putere cu simetrie complementară (clasa B sau AB). Această etapă este proiectată pentru a furniza curentul necesar pentru a comanda sarcina (de exemplu, un difuzor), oferind în același timp o impedanță de ieșire scăzută. Eficiența este un factor important aici; amplificatoarele de putere cu simetrie complementară sunt mult mai eficiente decât cele cu un singur capăt.
Pe lângă aceste etape principale, circuitele interne ale unui amplificator operațional includ și alte elemente funcționale, cum ar fi:
- Schimbătoare de nivel: Pentru a elimina decalajul DC de la ieșire.
- Circuite de polarizare: Surselor de curent constant (adesea realizate cu tranzistori) pentru a asigura funcționarea corectă și stabilă a amplificatoarelor, menținând tranzistorii în regiunea activă.
- Circuite de protecție: Pentru a preveni deteriorarea amplificatorului în caz de scurtcircuit la ieșire sau alte condiții anormale.

Sarcina Activă și Oglinda de Curent
Utilizarea sarcinii active în etajul de intrare al unui amplificator diferențial este o tehnică cheie pentru creșterea performanței. În locul rezistențelor, se folosesc tranzistori configurați ca surse de curent sau oglinzi de curent. Acestea oferă o impedanță dinamică mult mai mare decât rezistențele echivalente, ceea ce duce la un câștig de tensiune mai mare.
Oglinda de curent este un circuit care permite unui nod dintr-un circuit să reproducă curentul unui alt nod. În contextul amplificatoarelor operaționale, oglinzile de curent sunt adesea folosite pentru a crea sarcini active. De exemplu, tranzistorii Q5, Q6 și Q7 din figura 13 (care reprezintă circuitul 741) formează o sarcină activă pentru amplificatorul diferențial de intrare. Această configurație asigură o impedanță ridicată și permite conversia semnalului diferențial în semnal cu un singur capăt fără a degrada semnificativ câștigul sau CMRR.

Tranzistorii Q10 și Q11 din circuitul 741 formează o sursă de curent Widlar, iar împreună cu alte tranzistoare, acestea acționează ca o oglindă de curent pentru a furniza curenții de polarizare necesari etajului diferențial. Aceste circuite de polarizare sunt esențiale pentru a menține amplificatorul stabil și pentru a reduce distorsiunile.
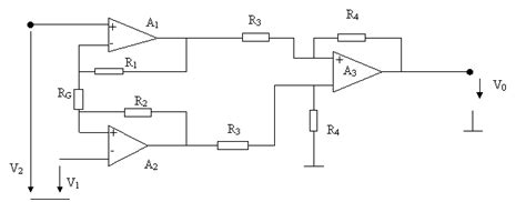
Amplificatorul de Instrumentație
Amplificatorul de instrumentație (in-amp) este o configurație specializată, bazată pe amplificatoare operaționale, proiectată pentru a amplifica semnale diferențiale foarte mici, cu o impedanță de intrare extrem de ridicată și o ieșire cu un singur capăt. Este ideal pentru aplicații precum preluarea semnalelor de la senzori, termocuple sau chiar în sistemele de control al motorului, unde semnalele pot fi adesea slabe și susceptibile la zgomot.
Un amplificator de instrumentație tipic, cu trei amplificatoare operaționale, combină performanța amplificatoarelor diferențiale cu câștig mare și impedanța de intrare ridicată. Două amplificatoare operaționale ne-inversoare formează etajul de intrare diferențială, acționând ca amplificatoare tampon cu câștig ajustabil pentru semnalele diferențiale. Al treilea amplificator operațional, configurat ca un scăzător, combină semnalele amplificate și oferă ieșirea finală.

Câștigul total al unui amplificator de instrumentație poate fi ajustat prin modificarea valorii unui singur rezistor extern (R1 în schema uzuală), ceea ce îl face foarte practic pentru aplicații unde este necesară o calibrare precisă. Raportul de respingere a modului comun (CMRR) este, de asemenea, foarte ridicat, adesea peste 100 dB la DC, asigurând că semnalele comune ambelor intrări sunt eliminate eficient.
Prezentare Amplificator Audio Distrus
În concluzie, amplificatorul diferențial, în special atunci când este utilizat cu sarcini active și oglinzi de curent, stă la baza multor circuite integrate performante, precum amplificatoarele operaționale și amplificatoarele de instrumentație. Aceste configurații permit obținerea unor câștiguri ridicate, impedanțe de intrare mari și o respingere excelentă a semnalelor de mod comun, fiind esențiale pentru o varietate de aplicații electronice.
tags: #amplificatorul #diferential #avand #sarcina #activa #oglinda